在自动化控制、设备监测和精密仪器领域,光电开关作为非接触式传感器,以其高精度、长寿命和抗干扰能力成为现代工业的“眼睛”。深圳某知名电子元件制造商推出的LA520-5P光电开关,凭借其独特的光学设计、紧凑结构和环保特性,正成为物体检测、位置定位和运动监测的首选器件。

核心特性:垂直狭缝设计,响应更精准
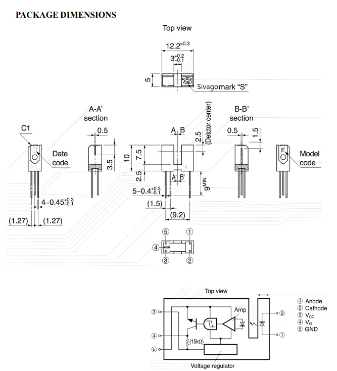
LA520-5P采用**透射式光耦输出(OPIC)**技术,通过垂直狭缝结构实现交替运动检测(Alternate Motion Detection)。这一设计显著提升了检测灵敏度,尤其适用于高速运动物体的实时监测。当光学路径被遮挡时,器件输出低电平信号,确保信号传输的稳定性和可靠性。
关键参数:
检测间隙宽度(Gap Width):3mm,适应中等距离的物体检测需求。
狭缝宽度(探测器侧):0.5mm,实现高精度定位,减少误判。
封装尺寸:12.2×10×5mm,紧凑设计节省空间,便于集成到小型设备中。
环保与合规:符合RoHS指令,无铅工艺
LA520-5P严格遵循RoHS指令,采用无铅工艺制造,确保产品在环保和安全方面达到国际标准。这一特性使其适用于对环保要求严格的欧洲、北美及亚洲市场,满足全球客户对可持续产品的需求。
应用场景:从办公设备到工业自动化
1. 通用物体检测与运动监测
LA520-5P可广泛应用于物体存在检测、边缘定位和运动方向监测。例如,在自动化流水线上,它可实时检测零件是否到位,或监测传送带上的物体运动状态,避免生产中断。
2. 办公设备:传真机与计数器
在传真机中,LA520-5P用于检测纸张位置,确保打印或扫描的准确性;在计数器应用中,它可统计通过检测点的物体数量,提升数据采集效率。
3. 精密仪器:位置定位与边缘检测
其高精度狭缝设计使其适用于需要微米级定位的场景,如光学仪器校准、机械臂定位等,确保设备运行的精确性。
技术解析:透射式光耦,非接触式传感
LA520-5P属于透射式光电开关家族,其核心由发射器和接收器组成,封装在同一外壳中,形成“穿通孔”设计(Through-Hole Design)。这种结构通过发射器发出的光线被接收器检测,当物体遮挡光路时,输出信号发生变化,实现非接触式传感。相比反射式光电开关,透射式设计抗环境光干扰能力更强,适用于复杂工业环境。
为什么选择LA520-5P?
高精度检测:垂直狭缝设计提升运动检测灵敏度,减少误差。
紧凑耐用:小尺寸封装适应空间受限的设备,同时具备工业级耐用性。
环保合规:无铅工艺符合全球环保法规,降低客户合规风险。
多场景适用:从办公设备到工业自动化,覆盖广泛应用需求。
在工业4.0和智能制造的浪潮下,LA520-5P光电开关以其卓越的性能和可靠性,成为设备智能化升级的关键元件。无论是提升生产效率、确保产品质量,还是降低维护成本,LA520-5P都能为您的项目提供稳定支持。选择深圳厂家的LA520-5P,就是选择与创新同行,与未来接轨。
立即联系深圳厂家世华高半导体黎生13714752007,获取LA520-5P样品与技术方案,开启您的精准检测之旅!