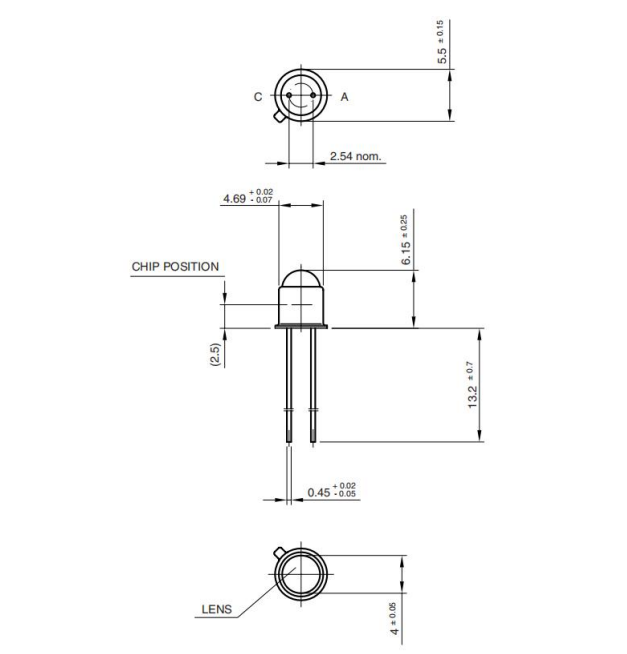
核心技术亮点
TSTA7300作为新一代近红外辐射源,采用940nm波长设计,具备高灵敏度与稳定的光发射特性。其±22°的精准辐射角度控制能力,结合经典的TO-18金属封装结构,不仅提升了光学指向性,还增强了在高温、高湿等复杂环境下的运行可靠性。该器件凭借优异的响应速度与长期稳定性,成为多种红外交互系统的理想光源,广泛适用于对精度与耐久性有严苛要求的应用场景。

典型应用场景
医疗健康领域
在非侵入式血糖监测设备中,TSTA7300利用近红外光谱分析技术,实现无创、无痛的血糖水平检测。其稳定的光输出保障了信号采集的一致性,显著提升了测量结果的准确性和重复性,已成功集成于多款家用健康监测设备中,为糖尿病患者提供便捷的日常管理工具。
工业自动化场景
作为红外测距与物体识别系统的关键光源,TSTA7300的±22°辐射角设计恰好满足机械臂精确定位的需求。在智能仓储与物流分拣系统中,该器件可有效提升目标识别的精度与响应速度,减少误判与操作失误,助力工业自动化向更高效率与智能化方向发展。
消费电子创新
在智能穿戴设备中,TSTA7300凭借其微型化封装和低功耗特性,支持实现高精度心率与血氧监测功能。其高效的能量利用显著延长了设备的续航时间,为运动健康追踪提供了稳定可靠的技术支撑,广泛应用于智能手环、手表等可穿戴产品中。
市场竞争优势
相较于传统红外发射源,TSTA7300在辐射强度上实现显著提升,同时保持极低的功耗水平,兼顾性能与能效。其标准TO-18封装形式便于自动化贴装与系统集成,尤其适合空间受限的紧凑型设备设计,为产品小型化与轻量化提供有力支持。目前,该器件已通过多项国际安全与可靠性认证,为医疗、工业等高要求领域客户提供坚实的技术保障。
未来发展趋势
随着物联网与智能传感技术的深入发展,TSTA7300的智能化升级正在加速推进。预计2026年内将推出支持无线通信与动态调光功能的新型号,具备远程配置与自适应环境调节能力。这一升级将进一步拓展其在智能家居、远程健康监护及边缘感知网络中的应用边界,开启红外光源的智能互联新时代。